
USN offers a wide range of bearings for mechanical transmission: rigid ball bearings, angular contact bearings, cylindrical roller bearings, tapered roller bearings, spherical ball bearings, spherical roller bearings, with or without seals/flanges, thrust ball bearings, needle roller bearings...
The list of bearings below is not exhaustive, please do not hesitate to contact us.
Deep groove ball bearings

Single row deep groove ball bearings are the most widely used bearings in the world thanks to their flexibility and overall performance.
They have excellent value for money, axial and radial load capacities, are suitable for high speeds and operate with little noise. Models with seals / flanges are lubricated for life.
- Excellent for high speedsGood radial load capacityAxial load capacity in both directionsLow noise in operationRequires little maintenance
Angular contact ball bearings

Angular contact ball bearings have been designed with a contact angle that allows them to withstand a large axial force in addition to the radial forces. Single row angular contact ball bearings provide high axial load carrying capacity in one direction. The radial loads give rise to an induced axial force, which must be compensated by a reaction; for this reason the assembly generally comprises two bearings in opposition.
- Different contact angles available Multiple cage types as required Double row models support axial load in both directions Designed for use in high precision, high speed applications
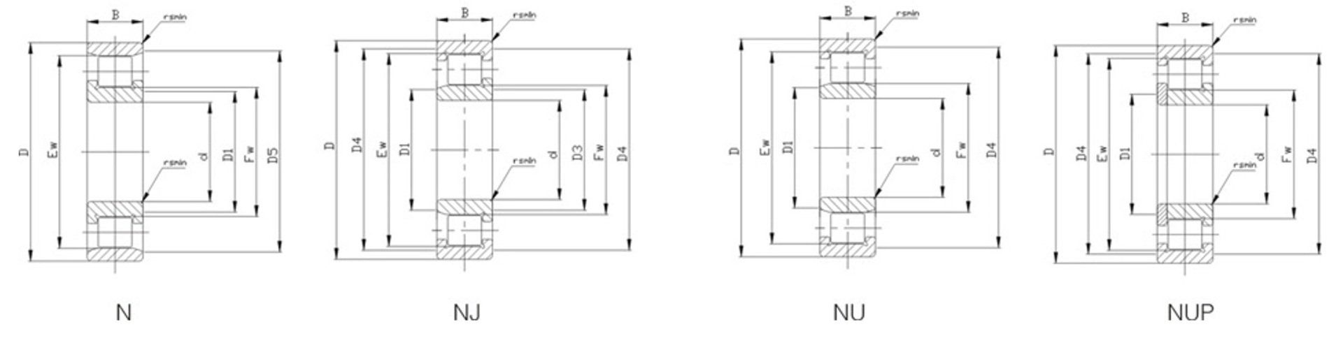
Cylindrical roller bearings

Cylindrical roller bearings have many designs, dimensions and sizes. Most of them are single row with cage.
Our cylindrical roller bearings are key components. Their particular geometry, known as a logarithmic profile, allows an optimal distribution of the stresses on the contact zones inside the bearing.
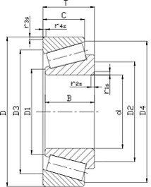
Tapered roller bearings

The single row tapered roller bearing is the most commonly used design, it is usually mounted in pairs. The bearing is separable, the inner ring with the rollers and the cage can be mounted separately from the outer ring.
Single row bearings support high radial loads and axial loads in one direction, so axial guidance in the other direction is usually required by opposing a second bearing.
Self-aligning ball bearings

Self-aligning ball bearings are non-separable assemblies with two rows of balls.
They are composed of an outer ring with a spherical raceway, an inner ring with a cylindrical or tapered bore and a cage.
They are available in open version or with seals and are mainly used in agricultural machinery, industrial pumps ....
Spherical roller bearings

Spherical roller bearings provide maximum radial load capacity compared to other types of bearings.
Like self-aligning ball bearings, they are self-aligning.
Capable of withstanding heavy radial and axial loads in both directions, they have excellent resistance to instantaneous overloads and shocks, they also simplify assembly.
Thrust ball bearings

Thrust ball bearings are designed to support axial loads only, they cannot support radial loads.
They are therefore most often associated with another bearing, which will support the radial load of the connection.
Single direction thrust ball bearings only support forces in one direction, double direction thrust bearings support forces in both directions.
Needle bearings

Needle roller bearings are cylindrical roller bearings that are long in relation to the diameter (L/D>2.5).
They have a low section height but a large number of rolling elements, which allows a high load capacity and is therefore particularly suitable for assemblies where radial space is limited.



























