
USN vous propose une large gamme de roulements pour transmission mécanique :Roulement rigide à billes, à contact oblique, à rouleaux cylindriques, à rouleaux coniques, à rotule sur billes, à rotule sur rouleaux, avec ou sans joints / flasques, butées à billes, roulements à aiguilles...
La liste des roulements ci-dessous n'est pas exhaustive, n'hésitez pas à nous contacter.
Roulements rigides à billes

Les roulement rigides à billes à une rangée sont les roulements les plus largement utilisés au monde grâce à leur flexibilité et leurs performances globales.
Ils ont un excellent rapport qualité prix, des capacités de charges axiales et radiales, sont adaptés à des vitesses élevées et fonctionnent avec peu de bruit. Les modèles avec joints / flasques sont lubrifiés à vie.
- Excellent pour des vitesses élevées
- Bonne capacité de charge radiale
- Capacité de charge axiale dans les deux directions
- Peu bruyant en fonctionnement
- Nécessite peu de maintenance
Roulements à bille à contact oblique

Les roulements à billes à contact oblique ont été conçus avec un angle de contact qui permet de supporter un effort axial important en plus des efforts radiaux. Les roulements à billes à contact oblique à une rangée offrent une capacité de charge axiale élevée dans un sens. Les charges radiales donnent naissance à un effort axial induit, qu'il convient de compenser par une réaction ; pour cette raison le montage comporte généralement deux roulements en opposition.
- Différents angles de contact disponibles
- Plusieurs types de cages selon les besoins
- Les modèles à deux rangées supportent une charge axiale dans les deux sens
- Conçus pour une utilisation dans les applications de haute précision à vitesse élevée
Roulements à rouleaux cylindriques

Les roulements à rouleaux cylindriques ont de nombreux design, dimensions et tailles. La plus grande partie sont à une rangée avec cage.
Nos roulements à rouleaux cylindriques sont des éléments clés. Leur géométrie particulière, dit à profil logarithmique, permet une répartition optimale des contraintes sur les zones de contact à l'intérieur du roulement.
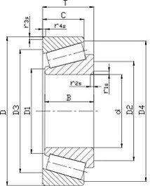
Roulements à rouleaux coniques

Le roulement à rouleaux coniques à simple rangée est le modèle le plus couramment utilisé, il est généralement monté par paires. Le roulement est dissociable, la bague intérieure avec les rouleaux et la cage peuvent être montés séparément de la bague extérieure.
Les roulements à une rangée supportent des charges radiales élevées et des charges axiales dans un sens, il faut donc généralement prévoir un guidage axial dans l'autre sens en opposant un deuxième roulement.
Roulements à rotule sur billes

Les roulements à rotule sur billes sont des ensembles non dissociables à deux rangées de billes.
Ils sont composés d'une bague extérieure avec chemin de roulement sphérique, d'une bague intérieure avec alésage cylindrique ou conique et d'une cage.
Ils sont disponibles en version ouverte ou avec joints d'étanchéité et sont principalement utilisés dans les machines agricoles, les pompes industrielles ....
Roulements à rotule sur rouleaux

Les roulements à rotule sur rouleaux offrent une capacité de charge radiale maximale par rapport aux autres types de roulements.
Comme les roulements à rotules sur billes, ils sont auto-aligneurs.
Capables de supporter de fortes charges radiales et axiales dans les deux sens, ils ont une excellente résistance aux surcharges instantanées et aux chocs, ils permettent également une simplification des montages.
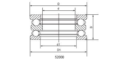
Butées à billes

Les butées à billes sont conçues pour supporter des charges axiales uniquement, elles ne peuvent pas supporter de charges radiales.
Elles sont donc le plus souvent associées à un autre roulement, qui supportera la charge radiale de la liaison.
Les butées à billes à simple effet ne supportent des forces que dans un sens, les butées à double effet quant à elles supportent des forces dans les deux sens.
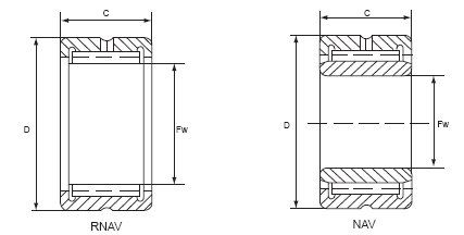
Roulements à aiguilles

Les roulements à aiguilles sont des roulements à rouleaux cylindriques qui sont de grande longueur par rapport au diamètre (L/D>2,5).
Ils ont une faible hauteur de section mais un grand nombre d’éléments roulants, ce qui autorise une forte capacité de charge et convient donc particulièrement pour les montages où l'espace radial est limité.



























